RETÍFICA WF MODULAR SYSTEM
Linha Diamante / COLADEIRA DE BORDA
Fresa que revolucionou o acabamento em Coladeiras de Borda e trouxe melhorias no processo em geral. Com seu ângulo axial maior, proporciona um corte perfeito, usinando de...


Desenhada para reduzir ruídos e melhorar o escoamento de resíduos, é ideal para acabamentos arredondados. Sua modelagem permite a usinagem de todos os tipos de borda, incluindo painéis postforming e preforming. Consulte a nossa equipe técnica para mais informações.
Fresa que revolucionou o acabamento em Coladeiras de Borda e trouxe melhorias no processo em geral. Com seu ângulo axial maior, proporciona um corte perfeito, usinando de...
Fresa utilizada em Coladeiras de Borda, que proporcionam um bom acabamento e versatilidade, por possuírem pastilhas de diamante que podem ser trocadas, além de...
Desenhada para reduzir ruídos e melhorar o escoamento de resíduos, é ideal para acabamentos arredondados. Sua modelagem permite a usinagem de todos os tipos...
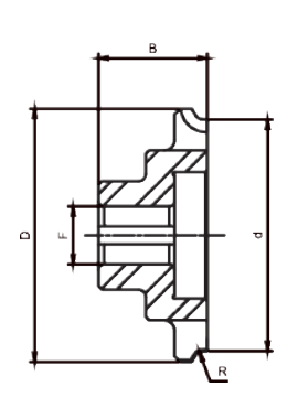
Fresa utilizada nas tupias de entrada das Coladeiras de Borda, fazendo o acabamento preciso para a colagem de borda sem marcação. As Fresas de Retífica...
Notícias
Na FIMMA, cada conversa foi uma oportunidade real de entender as dores dos nossos clientes e mostrar, na prática, como nossas...
Inovações
Atenta às necessidades específicas do mercado, a Wirutex desenvolveu, por meio de pesquisas intensivas, uma linha de...
Notícias
Em um ambiente de produção industrial de alta produção, todo segundo conta. A parada de uma máquina pode...